QR کوڈ
مصنوعات
ہم سے رابطہ کریں۔


فیکس
+86-574-87168065

ای میل

پتہ
لیوٹو صنعتی علاقہ ، ضلع زینھائی ، ننگبو سٹی ، چین
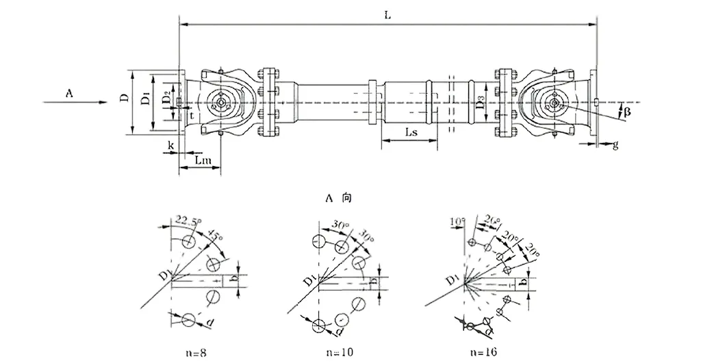
رے ڈافون کا ایس ڈبلیو سی-بی ایف اسٹینڈرڈ فلیکس فلانج ٹائپ یونیورسل کپلنگ کو بھاری مشینری میں قابل اعتماد طریقے سے منتقل کرنے کے لئے بنایا گیا ہے۔ اس میں ایک لچکدار فلانج ڈیزائن ہے ، جس میں 180 ملی میٹر سے 620 ملی میٹر تک گائریشن قطر کے قطر کے ساتھ ، اور یہ معیاری فلیکس یونیورسل جوڑے کونیی غلطیاں 15 ڈگری کے علاوہ ٹورک تک 1250 KN · m تک زیادہ سے زیادہ ہے۔ یہاں تک کہ کام کے ماحول کا مطالبہ کرنے میں بھی ، یہ مستحکم چلتا رہتا ہے ، کوئی ڈراپ آف نہیں ہوتا ہے۔ ہم اسے اعلی طاقت 35CRMO اسٹیل اور صحت سے متعلق سوئی بیرنگ کے ساتھ بناتے ہیں ، لہذا یہ صنعتی مشینری کے لئے عالمگیر جوڑے اور بھاری سامان کے ل flex فلیکس فلانج جوڑے کے طور پر کامل ہے۔
چین میں ہماری مینوفیکچرنگ آئی ایس او 9001 معیارات کی پیروی کرتی ہے ، لہذا ایس ڈبلیو سی-بی ایف یونیورسل جوڑے لمبے عرصے تک جاری رہتا ہے اور سنکنرن کی مخالفت کرتا ہے۔ فلانج کنکشن تنصیب کو آسان بناتا ہے ، جو میٹالرجی ، کان کنی ، اور جہاز سازی جیسے کھیتوں میں ایک بڑی مدد ہے جہاں آپ کو اعتدال پسند محوری لچک کی ضرورت ہوتی ہے۔ ہم اس کے سائز اور ٹارک کی درجہ بندی کو بھی اپنی مرضی کے مطابق بنا سکتے ہیں ، لہذا یہ پائیدار فلیکس یونیورسل کپلنگ رولنگ ملوں اور دیگر صنعتی ضروریات کے لئے کسٹم یونیورسل جوڑے کے طور پر بہت اچھا کام کرتا ہے۔ اور قیمت مسابقتی ہے ، کوئی زیادہ چارج نہیں۔ رے ڈافون کے جاننے کا مطلب ہے کہ آپ دیکھ بھال پر کم وقت گزاریں گے ، اور آپ کا سامان زیادہ قابل اعتماد رہے گا۔
| گلے | gyration قطر d ملی میٹر | برائے نام ٹورک tn kn · m | محور زاویہ فولڈ β (°) | تھکا ہوا ٹارک tf kn · m | فلیکس مقدار ایل ایس ایم ایم | سائز (ملی میٹر) | گھومنے والی جڑتا کلوگرام2 | وزن (کلوگرام) | |||||||||||
| lmin | D1 (جے ایس 11) | D2 (H7) | D3 | ایل ایم | n-d | k | t | b (H9) | g | lmin | اضافہ 100 ملی میٹر | lmin | اضافہ 100 ملی میٹر | ||||||
| SWC180BF | 180 | 12.5 | 6.3 | ≤25 | 100 | 810 | 155 | 105 | 114 | 110 | 8-17 | 17 | 5 | -1.455 | - | 0.27 | 0.0070 | 80 | 2.8 |
| SWC225BF | 225 | 40 | 20 | ≤15 | 140 | 920 | 196 | 135 | 152 | 120 | 8-17 | 20 | 5 | 32 | 9 | 0.79 | 0.0234 | 138 | 4.9 |
| SWC250BF | 250 | 63 | 31.5 | 1035 | 218 | 150 | 168 | 140 | 8-19 | 25 | 6 | 40 | 12.5 | 1.46 | 0.0277 | 196 | 5.3 | ||
| SWC285BF | 285 | 90 | 45 | 1190 | 245 | 170 | 194 | 160 | 8-21 | 27 | 7 | 40 | 15 | 2.87 | 0.0510 | 295 | 6.3 | ||
| SWC315BF | 315 | 125 | 63 | 1315 | 280 | 185 | 219 | 180 | 10-23 | 32 | 8 | 40 | 15 | 5.09 | 0.0795 | 428 | 8.0 | ||
| SWC350BF | 350 | 180 | 90 | 150 | 1410 | 310 | 210 | 267 | 194 | 10-23 | 35 | 8 | 50 | 16 | 9.20 | 0.2219 | 632 | 15.0 | |
| SWC390BF | 390 | 250 | 125 | 170 | 1590 | 345 | 235 | 267 | 215 | 10-25 | 40 | 8 | 70 | 18 | 16.62 | 0.2219 | 817 | 15.0 | |
| SWC440BF | 440 | 355 | 180 | 190 | 1875 | 390 | 255 | 325 | 260 | 16-28 | 42 | 10 | 80 | 20 | 28.24 | 0.4744 | 1290 | 21.7 | |
| SWC490BF | 490 | 500 | 250 | 190 | 1985 | 435 | 275 | 325 | 270 | 16-31 | 47 | 12 | 90 | 22.5 | 46.33 | 0.4744 | 1631 | 21.7 | |
| SWC550BF | 550 | 710 | 355 | 240 | 2300 | 492 | 320 | 426 | 305 | 16-31 | 50 | 12 | 100 | 22.5 | 86.98 | 1.3570 | 2567 | 34.0 | |
| SWC620BF | 620 | 1000 | 500 | 240 | 2500 | 555 | 380 | 426 | 340 | 10-38 | 55 | 12 | 100 | 25 | 147.50 | 1.3570 | 3267 | 34.0 | |
یونیورسل جوڑے - جسے عالمگیر مشترکہ جوڑے بھی کہتے ہیں - مکینیکل حصے ہیں جو دو شافٹ کے مابین ٹارک اور گھومنے والی حرکت کو منتقل کرتے ہیں جو شاید بالکل قطار میں نہیں آسکتے ہیں۔ وہ کونیی ، محوری اور شعاعی غلطیاں سنبھالتے ہیں ، جبکہ مختلف صنعتی استعمال میں بجلی کی منتقلی کو موثر رکھتے ہوئے۔ رائڈافون میں ، ہماری ایس ڈبلیو سی کارڈن شافٹ یونیورسل جوائنٹ کپلنگ سیریز یہاں اعلی درجے کی انجینئرنگ کی ایک عمدہ مثال ہے ، جس میں صرف رولنگ ملوں اور لہرانے والی مشینری جیسے ہیوی ڈیوٹی کے مقامات کے لئے بنائے گئے اعلی ٹورک یونیورسل مشترکہ جوڑے کے حل پیش کیے جاتے ہیں۔
آئیے عالمی مشترکہ جوڑے کی اہم اقسام کو توڑ دیں:
سب سے پہلے سنگل یونیورسل جوائنٹ ہے۔ اس میں ایک کراس کے سائز کا محور ہے جو دو یوکس کو جوڑتا ہے ، شافٹ کو 45 ڈگری تک کونیی غلط بیانی ہونے دیتا ہے۔ یہ اعتدال پسند آفسیٹس کے ساتھ سیٹ اپ کے لئے اچھا کام کرتا ہے ، حالانکہ اس سے رفتار میں تبدیلی آسکتی ہے۔ رولنگ مل آپریشنز کے لئے رے ڈافون کا قابل اعتماد ہیوی ڈیوٹی یونیورسل مشترکہ جوڑا اکثر کمپیکٹ بلڈز میں واحد مشترکہ ڈیزائن استعمال کرتا ہے ، لہذا یہ بھاری بوجھ کے باوجود بھی بہت اچھا ہے۔
پھر وہاں ڈبل یونیورسل جوائنٹ ہے۔ اس کے دو سنگل جوڑ ایک دوسرے کے ساتھ منسلک ہیں ، جو بڑی غلطیاں سنبھالتے ہیں اور ٹرانسمیشن کی رفتار کو تقریبا مستقل رکھتے ہیں - مشکل شافٹ سیٹ اپ کے لئے کامل۔ جب آپ کو لفٹنگ اور مادی ہینڈلنگ کے سازوسامان میں پائیدار ایس ڈبلیو سی یونیورسل جوائنٹ شافٹ جوڑے کی ضرورت ہوتی ہے تو ، رے ڈافن کے ڈبل مشترکہ ماڈل استحکام کو فروغ دیتے ہیں اور اعلی تناؤ صنعتی یونیورسل مشترکہ جوڑے کے نظام میں کمپن کو کم کرتے ہیں۔
اس کے بعد دوربین یا توسیع پذیر یونیورسل مشترکہ ہے۔ اس میں اسپلائنس یا سلائڈنگ حصے ہیں جو آپ کو لمبائی کو ایڈجسٹ کرنے دیتے ہیں جبکہ غلط فہمی کی بھی تلافی کرتے ہیں ، جو متحرک سیٹ اپ میں محوری حرکت کے لئے کام کرتا ہے۔ رے ڈافون کے ایس ڈبلیو سی ہیوی ڈیوٹی یونیورسل مشترکہ جوڑے میں دوربین کے اختیارات شامل ہیں-وہ بارودی سرنگوں یا تعمیراتی مقامات جیسی جگہوں پر بڑے پاور ٹرانسمیشن کے لئے موثر یونیورسل مشترکہ جوڑے کے طور پر کام کرتے ہیں ، جہاں آپ کو شافٹ کی لمبائی میں لچک کی ضرورت ہوتی ہے۔
ٹھوس ، بور ، یا اسپلڈ حب کی اقسام بھی ہیں۔ یہ اس سے مختلف ہیں کہ وہ کس طرح جڑ جاتے ہیں: ٹھوس مرکزوں میں کوئی سوراخ نہیں ہوتا ہے ، بور مراکز کے پاس گول ، ہیکس ، یا مربع سوراخ ہوتے ہیں ، اور اسپلڈ مراکز میں سخت فٹ ہونے کے لئے نالی ہوتی ہے۔ توانائی کی بچت کرنے والے یونیورسل مشترکہ جوڑے کے حل کے ل Ray ، رے ڈافون ہمارے کم شور والے یونیورسل مشترکہ جوڑے کی لائن اپ میں پھسلنے والے ڈیزائن پیش کرتے ہیں۔
رائڈافون کے یونیورسل مشترکہ جوڑے ، بشمول ایس ڈبلیو سی سیریز ، مربوط فورک ہیڈ ڈیزائنوں کے ساتھ بنے ہیں-زیادہ بولٹ سے متعلق امور ، جو طاقت کو 30 ٪ -50 ٪ تک بڑھاتا ہے اور 98.6 ٪ تک ٹرانسمیشن کی اہلیت کو نشانہ بناتا ہے۔ یہ خصوصیات ہماری مصنوعات کو پیشہ ور افراد کے لئے ایک اعلی انتخاب بناتی ہیں جن کو اپنی مرضی کے مطابق ، اعلی کارکردگی کے حل کی ضرورت ہوتی ہے۔
یونیورسل جوڑے - رے ڈافون کے ایس ڈبلیو سی کارڈن شافٹ یونیورسل مشترکہ جوڑے کو ایک اہم مثال کے طور پر لے جائیں۔ وہ شافٹوں کے مابین ٹارک کو مؤثر طریقے سے منتقل کرتے ہیں جو منسلک نہیں ہوتے ہیں ، ہر طرح کے انحراف کو سنبھالتے ہیں ، اور ان کو سخت ماحول میں آسانی سے چلانے کے لئے لازمی ہے۔
آئیے ان کے اہم فوائد میں غوطہ لگائیں: پہلے ، وہ غلط فہمی کی تلافی میں بہت اچھے ہیں۔ یونیورسل جوڑے 25 ڈگری تک کونیی ، محوری اور شعاعی غلطیاں سنبھالتے ہیں ، جس کی وجہ سے وہ رولنگ مل آپریشنز کے ل a ایک قابل اعتماد ہیوی ڈیوٹی یونیورسل مشترکہ جوڑے بناتے ہیں۔ وہ بہت زیادہ مکینیکل تناؤ یا کمپن کو شامل کیے بغیر ایسا کرتے ہیں ، لہذا آپ کی مشینری محفوظ رہتی ہے۔
پھر ان کی سخت استحکام اور طویل خدمت زندگی ہے۔ ہم ان جوڑے کو مربوط کانٹے کے سر کے ڈیزائنوں اور اعلی طاقت والے مواد کے ساتھ بناتے ہیں ، جو بولٹ جیسے ڈھیلے یا ٹوٹنے والے خطرات کو کم کرتے ہیں۔ یہی وجہ ہے کہ لفٹنگ اور مادی ہینڈلنگ کے سازوسامان میں پائیدار ایس ڈبلیو سی یونیورسل جوائنٹ شافٹ جوڑے سخت حالات میں لمبے لمبے لمبے لمبے لمبے لمبے لمبے لمبے لمبے لمبے لمبے لمبے لمبے لمبے لمبے لمبے لمبے لمبے لمبے لمبے لمبے لمبے لمبے لمبے لمبے لمبے لمبے لمبے لمبے لمبے لمبے لمبے لمبے لمبے لمبے لمبے لمبے لمبے لمبے لمبے لمبے لمبے لمبے لمبے لمبے لمبے لمبے لمبے لمبے لمبے لمبے لمبے لمبے لمبے لمبے لمبے لمبے لمبے لمبے لمبے لمبے لمبے لمبے لمبے لمبے لمبے لمبے لمبے لمبے لمبے لمبے لمبے لمبے لمبے لمبے لمبے لمبے لمبے لمبے لمبے لمبے لمبے لمبے لمبے لمبے حصے میں کام کرتے ہیں۔ یہ روایتی ماڈلز کو ایک لمبی شاٹ کے ذریعہ پیش کرتا ہے۔
ان کے پاس اعلی درجے کے بوجھ اٹھانے اور ٹارک کی گنجائش بھی ہے۔ بھاری وزن رکھنے اور برائے نام ٹارک کو 0.15 سے 1000 KN · m تک منتقل کرنے کے لئے انجنیئر ، صنعتی یونیورسل مشترکہ جوڑے بھاری مشینری یونیورسل مشترکہ جوڑے کے نظام میں چمکتا ہے۔ ان سیٹ اپ میں ، انتہائی بوجھ کے تحت مستقل کارکردگی کا میک اپ یا بریک ہوتا ہے ، اور یہ جوڑا ہر بار فراہم کرتا ہے۔
جب بات پاور ٹرانسمیشن کی کارکردگی کی ہو تو ، ان کو شکست دینا مشکل ہے۔ 98.6 فیصد کارکردگی کو مارتے ہوئے ، ایس ڈبلیو سی ہیوی ڈیوٹی یونیورسل مشترکہ جوڑے سے توانائی کے نقصان کو کم رہتا ہے۔ اس سے یہ اعلی طاقت کے صنعتی ایپلی کیشنز میں بڑی بجلی کی ترسیل کے ل an ایک موثر یونیورسل مشترکہ جوڑے بن جاتا ہے ، اور وقت گزرنے کے ساتھ ، اس کارکردگی سے لاگت کی حقیقی بچت میں اضافہ ہوتا ہے۔
آخری لیکن کم از کم ، وہ توانائی کی بچت کرتے ہیں اور خاموش رہتے ہیں۔ توانائی کی بچت کرنے والے یونیورسل مشترکہ جوڑے کے حل کے طور پر ، وہ بجلی کے استعمال کو کم کرتے ہیں ، اور وہ صرف 30-40 ڈی بی (اے) پر کام کرتے ہیں۔ یہ کم شور والا یونیورسل مشترکہ جوڑا صنعتی مقامات کے ل perfect بہترین ہے جہاں شور ایک تشویش ہے۔
عالمگیر جوڑے - زیادہ تر لوگ ’ایم یونیورسل مشترکہ جوڑے کہتے ہیں - ایک سادہ لیکن موثر میکانکی آئیڈیا پر کام کرتے ہیں: وہ دو شافٹوں کے مابین ٹورک اور گھومنے والی حرکت کو منتقل کرتے ہیں جو بالکل نہیں ، کونیی ، محوری اور شعاعی غلطیاں سنبھالتے ہیں۔ رائڈافون کے ایس ڈبلیو سی کارڈن شافٹ یونیورسل مشترکہ جوڑے کو لیں ، مثال کے طور پر - یہ اس اصول کا ایک بہت بڑا نمائش ہے۔ یہ ہر شافٹ پر جوئے کو مربوط کرنے کے لئے کراس کے سائز کا محور (ہم اکثر اسے مکڑی کہتے ہیں) استعمال کرتے ہیں ، لہذا طاقت مصروف صنعتی سیٹ اپ میں بھی آسانی سے منتقل ہوجاتی ہے۔
یہ کس طرح کام کرتا ہے اس کا دل یہ ہے کہ کراس پائیوٹ: یہ یوکس کو آزادانہ طور پر گھومنے دیتا ہے ، جو شافٹ کی طرف سے 25 ڈگری تک جھکا دیتا ہے جبکہ ٹارک کی ترسیل کو مستقل رکھتے ہوئے۔ یہ اعلی ٹورک یونیورسل مشترکہ جوڑے بھی کم سے کم گھومنے والی رفتار میں تبدیلیوں کو کم سے کم رکھتے ہیں-خاص طور پر جب یہ ایک ڈبل مشترکہ ڈیزائن ہے-لہذا یہ ایسی ملازمتوں کے لئے بہترین ہے جن کو رولنگ مل آپریشنز کے لئے قابل اعتماد ہیوی ڈیوٹی یونیورسل مشترکہ جوڑے کی ضرورت ہے۔ اور رائڈافون کی ایس ڈبلیو سی سیریز کے ساتھ ، ہم نے اس میکانزم کو اور بہتر بنانے کے لئے ایک مربوط فورک ہیڈ ڈیزائن شامل کیا: اس سے بولٹ ڈھیلے آنے کی طرح مسائل سے چھٹکارا مل جاتا ہے ، ساختی طاقت کو 30 ٪ -50 ٪ تک بڑھاتا ہے ، اور اس سے اعلی تناؤ کے مقامات میں زیادہ دیر تک مدد ملتی ہے۔
یہ اصول بوجھ برداشت کرنے کی بڑی صلاحیت کی بھی حمایت کرتا ہے۔ جوڑے کی وجہ سے 0.15 سے 1000 KN · m تک برائے نام ٹورک سنبھالتا ہے ، جس میں φ58 اور φ620 کے درمیان گائریشن قطر کے ساتھ - اسی وجہ سے لفٹنگ اور مادی ہینڈلنگ کے سامان میں پائیدار ایس ڈبلیو سی یونیورسل مشترکہ شافٹ جوڑے سخت کارروائیوں کے ل such اتنا ٹھوس انتخاب ہے۔ اس کے علاوہ ، صنعتی یونیورسل مشترکہ جوڑے کی منتقلی کی کارکردگی 98.6 ٪ تک ہوتی ہے ، جس سے بھاری مشینری یونیورسل مشترکہ جوڑے کے نظام میں توانائی کے استعمال کو کم کیا جاتا ہے۔
مزید یہ کہ ، رے ڈافون کے ایس ڈبلیو سی ہیوی ڈیوٹی یونیورسل جوائنٹ کاسپلنگ میں ایسی خصوصیات ہیں جو ہموار آپریشن پر اصول کی توجہ سے ملتی ہیں: یہ ٹرانسمیشن مستحکم رہتی ہے ، اور شور 30-40 ڈی بی (اے) کے درمیان رہتا ہے۔ اس سے یہ بڑی بجلی کی ترسیل کے ل an ایک موثر یونیورسل مشترکہ جوڑے ، اور اعلی طاقت کے صنعتی سیٹ اپ کے ل earne اعلی توانائی کی بچت کرنے والا یونیورسل مشترکہ جوڑے کا حل بنتا ہے۔ سب کے سب ، یہ کم شور والا عالمگیر مشترکہ جوڑا چیزوں کو خاموش رکھتا ہے ، لہذا یہ ان جگہوں پر بہت اچھا کام کرتا ہے جہاں شور کی تشویش ہے۔
⭐⭐⭐⭐⭐ لی جون ، سینئر انجینئر ، جیانگسو پاور آلات کمپنی ، لمیٹڈ ، لمیٹڈ
ہم رے ڈافون کے ایس ڈبلیو سی-بی ایف اسٹینڈرڈ فلیکس فلانج ٹائپ یونیورسل جوڑے کو اب کچھ مہینوں سے استعمال کر رہے ہیں ، اور یہ بہت عمدہ کارکردگی کا مظاہرہ کررہا ہے۔ اس جوڑے کی لچک ہے جو سب سے زیادہ کھڑا ہے - اس نے ہماری مشینری کو زیادہ قابل اعتماد بنا دیا ہے ، خاص طور پر جب شافٹ کی غلط فہمی کی تلافی کی بات آتی ہے۔ اس کو انسٹال کرنا ایک ہموار عمل تھا ، کوئی مشکل اقدام نہیں تھا ، اور ویلڈ کا معیار بھی ٹھوس نظر آتا ہے - یقینی طور پر ہمیں ذہنی سکون ملتا ہے کہ یہ چلتا رہے گا۔ قیمت کے ل it ، یہ واقعی ایک اچھی قدر ہے ، اور اگر آپ بھاری مشینری کی صنعت میں ہیں تو ، میں اس لچکدار فلج یونیورسل جوڑے کی سفارش کروں گا۔
⭐⭐⭐⭐⭐ جان ڈیوس ، مکینیکل انجینئر ، مانچسٹر انجینئرنگ لمیٹڈ ، یوکے
اپنی مانچسٹر کی سہولت پر ، ہم نے رے ڈافون کے ایس ڈبلیو سی-بی ایف اسٹینڈرڈ فلیکس فلانج ٹائپ یونیورسل کپلنگ کے لئے ایک پرانے جوڑے کو تبدیل کیا ، اور یہ فرق ابھی واضح تھا۔ یہ آفاقی جوڑے طاقت کو آسانی سے اور موثر انداز میں منتقل کرتا ہے ، یہاں تک کہ جب ہم اسے اعلی تناؤ کے حالات میں چلا رہے ہیں-یہ کبھی بھی آگے نہیں بڑھتا ہے۔ اس کے سخت ڈیزائن کے ساتھ جوڑ بنانے والی لچک ہماری مشینری کو بغیر کسی رکاوٹ کے چلتی رہتی ہے۔ اس کے علاوہ ، رے ڈافن نے ہمیں تیزی سے ترسیل حاصل کرلی ، اور ان کی کسٹمر سروس سب سے اوپر کی تھی۔ اس قابل اعتماد فلیکس فلانج یونیورسل جوڑے کی انتہائی سفارش کریں!
⭐⭐⭐⭐⭐ میٹیو روسی ، آپریشنز منیجر ، میلان صنعتی حل ، اٹلی
ہم ایک آفاقی جوڑے کی تلاش میں تھے جو غلط فہمیوں کو اچھی طرح سے سنبھال سکتا ہے ، اور اسی طرح ہمیں رے ڈافن کا ایس ڈبلیو سی-بی ایف اسٹینڈرڈ فلیکس فلانج قسم یونیورسل کپلنگ مل گیا۔ ہم ابھی کچھ ہفتوں سے اس کا استعمال کر رہے ہیں ، اور میں یقینی طور پر کہہ سکتا ہوں کہ یہ ہمارے تمام خانوں کی جانچ پڑتال کرتا ہے۔ اس کو انسٹال کرنا آسان تھا ، کوئی اضافی پریشانی نہیں ، اور یہاں تک کہ جب ہم اسے مشکل حالات سے دوچار کرتے ہیں تو ، یہ برقرار رہتا ہے۔ قیمت قیمت کے لئے بقایا ہے - یقینی طور پر ہماری مشینری کے لئے ایک سمارٹ سرمایہ کاری۔ میں جو پروڈکٹ اور رے ڈافون نے ہمیں دیا ہوا دونوں سے واقعی خوش ہوں۔
رے ڈافون صرف ایک کارخانہ دار نہیں ہے-ہم ٹاپ ٹیر ٹرانسمیشن کے اجزاء اور صنعتی مشینری کے حل کے ایک اہم سپلائر ہیں ، اور ہمیں ایس ڈبلیو سی کارڈن شافٹ یونیورسل مشترکہ جوڑے جیسی مصنوعات میں گہری مہارت حاصل ہے۔ ہم نے اپنے بنیادی حصے میں جدت اور معیار کے ساتھ آغاز کیا ، اور وقت گزرنے کے ساتھ ، ہم نے اپنے لائن اپ کو بڑھایا ہے تاکہ گیئر بکس ، ڈرائیو شافٹ ، ہائیڈرولک سلنڈرز ، پلیاں اور جدید مشین ٹولز شامل ہوں-یہ سب زرعی اور ہیوی ڈیوٹی صنعتوں کے سخت مطالبات کو پورا کرنے کے لئے بنائے گئے ہیں۔ ہمارے اعلی ٹورک یونیورسل مشترکہ جوڑے کے حل دیکھ بھال کے ساتھ تیار کیے گئے ہیں ، اس بات کو یقینی بناتے ہوئے کہ ٹارک آسانی سے منتقلی کی جائے اور غلطیاں صحیح طریقے سے سنبھال لیں-وہ ان گاہکوں کے لئے مطلق لازمی ہیں جن کو رولنگ مل آپریشنز کے لئے قابل اعتماد ہیوی ڈیوٹی یونیورسل مشترکہ جوڑے کی ضرورت ہے۔
ہماری پیداواری سہولیات جدید ترین ہیں: ہمارے پاس سی این سی ورکشاپس ، پیسنے اور حرارت کے علاج معالجے اور 3D پیمائش کے نظام ہیں۔ ہم ISO9001/TS16949 جیسے سخت معیارات پر قائم رہتے ہیں ، لہذا ہر صنعتی یونیورسل مشترکہ جوڑے جو ہم کرتے ہیں وہ عین مطابق اور آخری تک تعمیر ہوتا ہے۔ لفٹنگ اور مادی ہینڈلنگ کے سازوسامان میں ہمارے پائیدار ایس ڈبلیو سی یونیورسل جوائنٹ شافٹ کے جوڑے کو لیں ، مثال کے طور پر-یہ ان جگہوں کے لئے بہتر ہے جن کو بوجھ برداشت کرنے کی سنگین طاقت کی ضرورت ہے۔ اور ہمارا ایس ڈبلیو سی ہیوی ڈیوٹی یونیورسل مشترکہ جوڑے؟ یہ بھاری مشینری یونیورسل مشترکہ جوڑے کے نظام میں مسائل کو حل کرتا ہے ، جہاں انتہائی حالات میں مستحکم رہنا غیر گفت و شنید ہے۔
ہم بھی عالمی سطح پر پہنچنے پر بڑے ہیں۔ ہماری مصنوعات کا 80 ٪ امریکہ ، جرمنی ، جاپان ، اٹلی ، ملائشیا ، آسٹریلیا ، اور مشرق وسطی جیسی مارکیٹوں میں برآمد ہوتا ہے۔ ہمارے پاس چین ، جنوبی کوریا ، برطانیہ ، سنگاپور ، امریکہ اور اسپین بھر میں ایک مضبوط نیٹ ورک ملا ہے ، جو ہمیں بجلی کی منتقلی کے بڑے اختیارات کے ل custom اپنی مرضی کے مطابق موثر یونیورسل مشترکہ جوڑے بنانے کی سہولت دیتا ہے۔ یہ مخصوص ضروریات کے مطابق ہیں ، جیسے ہمارے توانائی کی بچت کرنے والے یونیورسل مشترکہ جوڑے کے حل جو 98.6 ٪ ٹرانسمیشن کی کارکردگی کو متاثر کرتے ہیں۔
استحکام اور مؤکل پر مبنی جدت ہمارے لئے اہمیت کا حامل ہے۔ یہی وجہ ہے کہ ہم کم شور کے عالمگیر مشترکہ جوڑے کے اختیارات پیش کرتے ہیں جو 30-40 DB (a) کے درمیان شور کو برقرار رکھتے ہیں-صنعتی مقامات کے لئے جہاں شور ایک تشویش ہے۔ اور ہم فروخت کے بعد کی مکمل مدد کے ساتھ ہر چیز کی حمایت کرتے ہیں۔ کام کرنے کے لئے ہماری وابستگی رے ڈافن کو ٹرانسمیشن انڈسٹری میں قابل اعتماد شراکت دار بناتی ہے ، جس سے پیشہ ور افراد کو ان کے سامان سے بہترین کارکردگی اور وشوسنییتا حاصل کرنے میں مدد ملتی ہے۔
پتہ
لیوٹو صنعتی علاقہ ، ضلع زینھائی ، ننگبو سٹی ، چین
ٹیلی فون
ای میل


+86-574-87168065


لیوٹو صنعتی علاقہ ، ضلع زینھائی ، ننگبو سٹی ، چین
کاپی رائٹ © رائڈافون ٹکنالوجی گروپ کمپنی ، محدود تمام حقوق محفوظ ہیں۔
Links | Sitemap | RSS | XML | رازداری کی پالیسی |
