QR کوڈ
مصنوعات
ہم سے رابطہ کریں۔


فیکس
+86-574-87168065

ای میل

پتہ
لیوٹو صنعتی علاقہ ، ضلع زینھائی ، ننگبو سٹی ، چین
رے ڈافون کا ایس ڈبلیو سی-ڈبلیو ڈی شارٹ فلیکس فلانج قسم یونیورسل کپلنگ کے بغیر ہیوی مشینری میں ٹارک کو موثر انداز میں منتقل کرنے کے لئے بنایا گیا ہے۔ اس کو ایک کمپیکٹ ، غیر ٹیلی اسکوپک فلانج ڈیزائن ملا ہے ، جس میں 180 ملی میٹر سے لے کر 1320 ملی میٹر تک گائیریشن قطر کے قطر ہیں۔ یہ مختصر flange یونیورسل جوڑے کونیی غلطیاں 15 ڈگری تک اور ٹارک کو 16000 kn · m تک سنبھال سکتا ہے ، لہذا یہاں تک کہ سخت جگہوں پر بھی جہاں زیادہ جگہ نہیں ہے ، یہ طاقت کو معتبر طور پر منتقلی کرتا رہتا ہے۔ ہم اسے اعلی طاقت 35CRMO اسٹیل سے بناتے ہیں ، جس میں بیئرنگ ڈھانچہ ہے جس میں بولٹ کی ضرورت نہیں ہوتی ہے-بھاری مشینری کے لئے عالمگیر جوڑے کے لئے کامل اور صنعتی ایپلی کیشنز کے لئے غیر ٹیلی اسکوپک یونیورسل جوڑے۔ اس کے لئے زیادہ دیکھ بھال کی ضرورت نہیں ہے اور ہمیشہ کے لئے رہتا ہے ، جو آپ کو سخت سیٹ اپ میں درکار ہے۔
چین میں ہماری مینوفیکچرنگ آئی ایس او 9001 معیارات کی پیروی کرتی ہے ، لہذا ایس ڈبلیو سی ڈبلیو ڈی یونیورسل جوڑے سخت حالات میں برقرار ہے۔ کراس شافٹ سنکنرن کے خلاف مزاحمت کے لئے کروم چڑھایا جاتا ہے ، جس سے اس کی سختی میں اضافہ ہوتا ہے۔ اس کا سخت ، ویلڈیڈ فلانج ڈیزائن تنصیب کو ہوا کا جھونکا بناتا ہے ، خاص طور پر دھات کاری اور کان کنی کے سامان میں جہاں محوری حرکت بہت کم ہے۔ ہم آپ کی ضروریات کو پورا کرنے کے لئے سائز کو اپنی مرضی کے مطابق بنا سکتے ہیں ، لہذا یہ پائیدار مختصر عالمگیر جوڑے کرین سسٹم اور دیگر ہیوی ڈیوٹی ملازمتوں کے لئے کسٹم یونیورسل جوڑے کے طور پر بہت اچھا کام کرتا ہے۔ اور قیمت بھی مسابقتی ہے۔ رے ڈافون کی عین مطابق کاریگری کا مطلب ہے کم ٹائم اور زیادہ قابل اعتماد سامان - جو دنیا بھر میں صنعتی آپریٹرز کچھ بھی گن سکتے ہیں۔
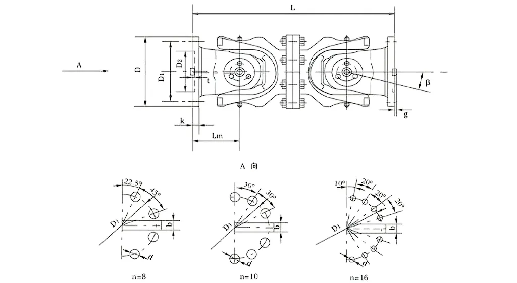
| گلے | gyration قطر d ملی میٹر | برائے نام ٹورک tn kn · m | محور زاویہ فولڈ β (°) | تھکا ہوا ٹارک tf kn · m | سائز (ملی میٹر) | وزن (کلوگرام) | |||||||||
| lmin | D1 (جے ایس 11) | D2 (H7) | ایل ایم | n-d | k | t | b (H9) | g | lmin | اضافہ 100 ملی میٹر | |||||
| SWC180WD | 180 | 12.5 | 6.3 | ≤25 | 440 | 155 | 105 | 110 | 8-17 | 17 | 5 | - | - | 0.145 | 52 |
| SWC225WD | 225 | 40 | 20 | ≤15 | 480 | 196 | 135 | 120 | 8-17 | 20 | 5 | 32 | 9.0 | 0.355 | 82 |
| SWC250WD | 250 | 63 | 31.5 | 560 | 218 | 150 | 140 | 8-19 | 25 | 6 | 40 | 12.5 | 0.831 | 127 | |
| SWC285WD | 285 | 90 | 45 | 640 | 245 | 170 | 160 | 8-21 | 27 | 7 | 40 | 15.0 | 1.715 | 189 | |
| SWC315WD | 315 | 125 | 63 | 720 | 280 | 185 | 180 | 10-23 | 32 | 8 | 40 | 15.0 | 2.820 | 270 | |
| SWC350WD | 350 | 180 | 90 | 776 | 310 | 210 | 194 | 10-23 | 35 | 8 | 50 | 16.0 | 4.791 | 370 | |
| SWC390WD | 390 | 250 | 125 | 860 | 345 | 235 | 215 | 10-25 | 40 | 8 | 70 | 18.0 | 8.229 | 524 | |
| SWC440WD | 440 | 355 | 180 | 1040 | 390 | 255 | 260 | 16-28 | 42 | 10 | 80 | 20.0 | 15.320 | 798 | |
| SWC490WD | 490 | 500 | 250 | 1080 | 435 | 275 | 270 | 16-31 | 47 | 12 | 90 | 22.5 | 25.740 | 1055 | |
| SWC550WD | 550 | 710 | 355 | 1220 | 492 | 320 | 305 | 16-31 | 50 | 12 | 100 | 22.5 | 46.780 | 1524 | |
| SWC620WD | 620 | 1000 | 500 | 1360 | 555 | 380 | 340 | 10-38 | 55 | 12 | 100 | 25.0 | 83.760 | 2120 | |
* 1. TF-انڈر ردوبدل ٹارک کو لوڈ کریں جو تھکاوٹ کی طاقت کے مطابق اجازت دیتا ہے۔
رے ڈافون کا ایس ڈبلیو سی یونیورسل مشترکہ جوڑے - عام طور پر ایس ڈبلیو سی کارڈن شافٹ یونیورسل مشترکہ جوڑے کہا جاتا ہے - یہ صرف ایک حصہ نہیں ہے۔ یہ بھاری ڈیوٹی صنعتی شعبوں میں لازمی ہے ، جیسے رولنگ ملوں ، لہرانے کا سامان ، اور ہر طرح کی سخت بھاری مشینری سیٹ اپ۔ ایک اعلی ٹورک یونیورسل مشترکہ جوڑے کے طور پر ، یہ ایک ٹھوس کام کرتا ہے جس میں دو ٹرانسمیشن شافٹ کو جوڑتا ہے جو بالکل سیدھے نہیں ہوتے ہیں ، اس بات کو یقینی بناتے ہوئے کہ کام کے حالات واقعی سخت ہونے پر بھی طاقت کو آسانی سے پہنچایا جاتا ہے۔
آئیے اس کے بنیادی چشمیوں کے بارے میں بات کرتے ہیں: gyration قطر φ58 سے φ620 تک ، برائے نام ٹارک 0.15 سے 1000 KN · m تک جاتا ہے ، اور محور فولڈ زاویہ 25 than سے زیادہ نہیں ہوتا ہے۔
یہ جوڑا مخصوص مقامات میں بہترین کام کرتا ہے-جیسے جب آپ کو رولنگ مل آپریشنز کے ل a ایک قابل اعتماد ہیوی ڈیوٹی یونیورسل مشترکہ جوڑے کی ضرورت ہو ، یا لفٹنگ اور مادی ہینڈلنگ کے سامان میں پائیدار ایس ڈبلیو سی یونیورسل جوائنٹ شافٹ جوڑے کی ضرورت ہو۔ ان معاملات میں ، یہ اپنی طاقت کو ظاہر کرتا ہے: یہاں تک کہ بڑے دباؤ میں بھی ، یہ کاموں کو مستحکم رکھتا ہے ، کوئی گڑبڑ یا خرابی نہیں ہے۔
رے ڈافون کا ایس ڈبلیو سی یونیورسل مشترکہ جوڑے کو صرف ایک ساتھ نہیں پھینک دیا گیا ہے۔ آئیے اس سے گزرتے ہیں جس سے اس کا ڈھانچہ نمایاں ہوجاتا ہے۔
سب سے پہلے ، اس میں ایک معقول اور محفوظ ترتیب ہے: ہم نے اس صنعتی یونیورسل مشترکہ جوڑے کے لئے ایک مربوط فورک ہیڈ ڈیزائن استعمال کیا ، جو بولٹ جیسے ڈھیلے یا ٹوٹنے جیسے خطرات کو کم کرتا ہے۔ یہ موافقت اکیلے ہی اسے مجموعی طور پر 30 ٪ -50 ٪ اسٹورڈیئر بنا دیتا ہے ، لہذا یہ محفوظ اور مستقل طور پر چلتا ہے۔ باقاعدہ جوڑے کے مقابلے میں ، یہ زیادہ دیر تک چلتا ہے ، اور یہ اعلی تناؤ کے مقامات میں عام پریشانیوں سے بچتا ہے-جیسے ہیوی مشینری یونیورسل مشترکہ جوڑے کے نظام کو آپ سخت ملازمتوں میں دیکھتے ہیں۔
اس کے بعد اس کی بہتر بوجھ اٹھانے کی صلاحیت موجود ہے: یہ ایس ڈبلیو سی ہیوی ڈیوٹی یونیورسل مشترکہ جوڑے بڑے وزن کو سنبھالنے کے لئے بنایا گیا ہے ، لہذا یہ ایسی جگہوں پر لازمی ہے جس میں کان کنی گیئر یا تعمیراتی مشینوں کی طرح اعلی درجے کی بوجھ ہینڈلنگ کی ضرورت ہے۔
یہ اعلی ٹرانسمیشن کی کارکردگی کو بھی 98.6 ٪ تک پہنچاتا ہے۔ بڑے بجلی کی ترسیل کے لئے ایک موثر یونیورسل مشترکہ جوڑے کے طور پر ، یہ توانائی کے استعمال اور اس کے ساتھ آنے والے اخراجات کو کم کرتا ہے۔ یہی وجہ ہے کہ یہ اعلی طاقت کے صنعتی ٹرانسمیشن سیٹ اپ میں توانائی بچانے والے یونیورسل مشترکہ جوڑے کے حل کے ل a ایک اعلی انتخاب ہے۔
اور یہ کم شور کے ساتھ ہموار چلتا ہے: ٹرانسمیشن مستحکم رہتا ہے ، اور شور عام طور پر 30-40 ڈی بی (اے) کے درمیان گھومتا ہے۔ یہ کم شور والا یونیورسل مشترکہ جوڑا آپریشنوں کو خاموش رکھتا ہے ، جو صنعتی مقامات کے لئے بہترین ہے جہاں شور ایک مسئلہ ہے۔
⭐⭐⭐⭐⭐ ژانگ وی ، چیف انجینئر ، ہینن مائننگ آلات کمپنی ، لمیٹڈ ، لمیٹڈ
ہم اپنی کان کنی کی مشینری پر فلیکس فلانج قسم کے یونیورسل جوڑے کے بغیر رے ڈافون کے ایس ڈبلیو سی ڈبلیو ڈی کو مختصر کر رہے ہیں ، اور یہ ایک بہترین فٹ ہے۔ اس کا کمپیکٹ ڈیزائن وہی ہے جو ہمیں سخت جگہوں کی ضرورت ہے جہاں بچانے کے لئے بہت زیادہ گنجائش نہیں ہے ، اور یہ کام آپریشن کو مستحکم رکھنے کے لئے کافی سخت ہے۔ یہاں تک کہ جب یہ بھاری ڈیوٹی کے حالات میں نان اسٹاپ چلا رہا ہے تو ، یہ جوڑے ہمیں کبھی بھی مایوس نہیں ہونے دیتے ہیں-کوئی ناکامی بھی نہیں۔ ہماری دیکھ بھال کرنے والی ٹیم کو پسند ہے کہ اسے بمشکل جانچ پڑتال کی ضرورت ہے ، جس کا مطلب ہے کہ ہم اضافی پریشانی کے بغیر پیداوار کو آسانی سے آگے بڑھا سکتے ہیں۔
⭐⭐⭐⭐⭐ مائیکل براؤن ، آپریشنز منیجر ، ٹیکساس اسٹیل ورکس ، USA
ہماری ٹیکساس ورکشاپ نے رے ڈافون سے فلیکس فلانج قسم یونیورسل جوڑے کے بغیر ایس ڈبلیو سی ڈبلیو ڈی کو مختصر کرنے کا حکم دیا ، اور ایمانداری سے ، اس معیار نے ہمیں اڑا دیا ہے۔ جوڑے کو واقعی اچھی طرح سے تیار کیا جاتا ہے ، ان کو انسٹال کرنا ایک چھت ہے ، اور جب بھی بوجھ کے نیچے ہوتے ہیں تو وہ قابل اعتماد طریقے سے پکڑے جاتے ہیں۔ مجھے سب سے زیادہ کیا پھنس گیا؟ یہ قیمت اور کارکردگی کو کتنی اچھی طرح سے متوازن کرتا ہے - آپ کو اکثر اس میٹھی جگہ کو نہیں ملتا ہے۔ ایک ایسا سپلائر تلاش کرنا جو اس سطح کی مستقل سطح کو مستقل طور پر فراہم کرتا ہے ، آسان نہیں ہے ، لیکن رے ڈافن نے بالکل ثابت کیا ہے کہ وہ ہمارے لئے قابل اعتماد شراکت دار ہیں۔
ana انا مولر ، بحالی سپروائزر ، برلن صنعتی حل ، جرمنی
ہم نے اپنے برلن کے سامان کی لائن پر فلیکس فلانج قسم یونیورسل جوڑے کے بغیر رائڈافون کے ایس ڈبلیو سی ڈبلیو ڈی کو مختصر کردیا ، اور اس کے نتائج بہت اچھے رہے ہیں۔ پروڈکٹ خود ہی راک ٹھوس محسوس کرتی ہے ، ویلڈنگ عین مطابق ہے-یہاں کوئی ناقص کام نہیں ہے-اور اب تک ، یہ واقعی اچھی طرح سے برقرار ہے ، جس میں اعلی درجے کی استحکام ظاہر ہوتا ہے۔ کچھ دوسرے برانڈز کے مقابلے میں جو ہم نے یہاں یورپ میں استعمال کیے ہیں ، یہ جوڑے زیادہ قابل اعتماد ہے ، اور قیمت بھی زیادہ مسابقتی ہے۔ اگر دوسری کمپنیاں قابل اعتماد عالمگیر جوڑے کی تلاش میں ہیں تو ، میں بالکل رے ڈافن کی سفارش کروں گا۔
رے ڈافون کا SWC-WD شارٹ فلیکس فلانج کی قسم یونیورسل کپلنگ-اکثر ایس ڈبلیو سی کارڈن شافٹ یونیورسل مشترکہ جوڑے کو کہا جاتا ہے-یہ سخت صنعتی مقامات کے لئے بنایا گیا ہے ، جہاں جگہ محدود ہے اور آپ کو ایک طے شدہ لمبائی کے ڈیزائن (کوئی دوربین توسیع نہیں) کی ضرورت ہے۔ ایک اعلی ٹورک یونیورسل مشترکہ جوڑے کے طور پر ، یہ شافٹ کے مابین ٹارک کو موثر انداز میں منتقل کرتا ہے جو منسلک نہیں ہوتا ہے ، کونیی انحراف کو 25 ڈگری تک سنبھالتا ہے ، اور یہ بھاری ڈیوٹی ماحول میں بھی قابل اعتماد رہتا ہے۔
آئیے اس کی کلیدی خصوصیات کے بارے میں بات کرتے ہیں: اس میں ایک کمپیکٹ اور سخت ڈھانچہ ہے۔ یہی وجہ ہے کہ یہ سخت مشینری میں فکسڈ ڈسٹنس رابطوں کے لئے اتنا اچھا کام کرتا ہے۔ اس کے بعد اس کی بوجھ اٹھانے کی اعلی صلاحیت موجود ہے: ہم اسے بنانے کے لئے کاسٹ آئرن یا کھوٹ اسٹیل جیسے سخت مواد کا استعمال کرتے ہیں ، لہذا یہ لفٹنگ اور مادی ہینڈلنگ کے سامان میں ایک پائیدار ایس ڈبلیو سی یونیورسل جوائنٹ شافٹ جوڑے ہے۔ یہ ایک ہی قطر کے دوسرے جوڑے کے مقابلے میں زیادہ وزن رکھتا ہے اور زیادہ ٹارک منتقل کرتا ہے ، جو کان کنی یا تعمیراتی گیئر میں بھاری بوجھ کے ل perfect بہترین بناتا ہے۔
یہ صنعتی یونیورسل مشترکہ جوڑے بھی غلط فہمی کی بھی اچھی طرح سے معاوضہ دیتا ہے - چاہے یہ کونیی ، متوازی یا محوری غلط فہمی ہو ، یہ گھماؤ کی رفتار یا ٹارک کی منتقلی سے گڑبڑ نہیں کرتا ہے۔ اس کا مطلب ہے ہیوی مشینری یونیورسل مشترکہ جوڑے کے نظام میں ہموار آپریشن۔ اور یہ پاور ٹرانسمیشن میں موثر ہے: 98.6 فیصد کارکردگی کو نشانہ بنانا ، یہ ایس ڈبلیو سی ہیوی ڈیوٹی یونیورسل مشترکہ جوڑے توانائی کے نقصان کو کم رکھتا ہے ، جس سے یہ اعلی طاقت کے صنعتی سیٹ اپ میں بڑے بجلی کی ترسیل کے لئے ایک موثر یونیورسل مشترکہ جوڑے بنتا ہے۔
اس کے علاوہ ، یہ توانائی کو بچانے اور پرسکون چلانے کے لئے ڈیزائن کیا گیا ہے-اگر آپ کو توانائی کی بچت کرنے والے یونیورسل مشترکہ جوڑے کے حل کی ضرورت ہو تو ، آپریشنل اخراجات کو کم کرتے ہوئے ، یہ ایک اعلی انتخاب ہے۔ اور یہ 30-40 ڈی بی (اے) کے درمیان شور کو برقرار رکھتا ہے ، لہذا یہ کم شور والا یونیورسل مشترکہ جوڑا صنعتی مقامات پر بالکل فٹ بیٹھتا ہے جہاں شور ایک تشویش ہے۔
یہ جوڑا واقعی مخصوص منظرناموں میں چمکتا ہے-جیسے جب آپ کو رولنگ مل آپریشنز کے لئے قابل اعتماد ہیوی ڈیوٹی یونیورسل مشترکہ جوڑے کی ضرورت ہو ، یا لفٹنگ اور مادی ہینڈلنگ کے سامان میں پائیدار ایس ڈبلیو سی یونیورسل جوائنٹ شافٹ جوڑے کی ضرورت ہو۔ ان معاملات میں ، یہاں تک کہ انتہائی بوجھ اور محدود جگہ کے باوجود ، یہ کاموں کو مستحکم رکھتا ہے ، کوئی ہچکی نہیں ہے۔
جب بات صنعتی یونیورسل مشترکہ جوڑے کی ایپلی کیشنز کی ہو تو ، ہمارا SWC-WD مختلف قسم سمارٹ انجینئرنگ کے ساتھ کھڑا ہوتا ہے جس کی وجہ سے یہ بہتر اور زیادہ دیر تک کارکردگی کا مظاہرہ کرتا ہے۔ آئیے اس کے کلیدی ڈھانچے کے بارے میں بات کرتے ہیں: اس میں ایک مربوط فورک ہیڈ ڈیزائن کے ساتھ ایک معقول ، محفوظ سیٹ اپ ہے۔ اس سے بولٹ ڈھیلے یا ٹوٹنے جیسے مسائل سے چھٹکارا مل جاتا ہے ، جس سے مجموعی طاقت کو 30 ٪ -50 ٪ بڑھایا جاتا ہے۔ اس کا مطلب ہے کہ یہ محفوظ اور قابل اعتماد طریقے سے چلتا ہے ، پرانے طرز کے ماڈل سے زیادہ لمبا رہتا ہے ، اور بھاری مشینری یونیورسل مشترکہ جوڑے کے نظام کی طرح اعلی تناؤ والے مقامات میں عام خرابی سے پرہیز کرتا ہے۔
اس کے علاوہ ، یہ زیادہ بوجھ کو سنبھال سکتا ہے-ہم نے اسے بھاری وزن کی تائید کے لئے بنایا ہے ، لہذا یہ ایس ڈبلیو سی ہیوی ڈیوٹی یونیورسل مشترکہ جوڑے ان جگہوں کے لئے بہترین ہے جن کو سخت بوجھ سے ہینڈلنگ کی ضرورت ہے ، جیسے کان کنی یا تعمیراتی سامان۔ یہ 98.6 ٪ ٹرانسمیشن کی کارکردگی کو نشانہ بناتے ہوئے ، طاقت کو موثر انداز میں منتقل کرتا ہے۔ بڑے بجلی کی ترسیل کے لئے ایک موثر یونیورسل مشترکہ جوڑے کے طور پر ، یہ توانائی کے استعمال اور اس کے ساتھ آنے والے اخراجات کو کم کرتا ہے ، جس سے یہ اعلی طاقت کے صنعتی ٹرانسمیشن سیٹ اپ میں توانائی کی بچت یونیورسل مشترکہ جوڑے کے حل کے ل a ایک اعلی انتخاب بنتا ہے۔
اور یہ بمشکل کسی بھی شور کے ساتھ ہموار ہوتا ہے-منتقلی مستحکم رہتی ہے ، اور شور عام طور پر 30-40 ڈی بی (اے) کے درمیان رہتا ہے۔ یہ کم شور والا عالمگیر مشترکہ جوڑا آپریشنوں کو خاموش رکھتا ہے ، جو صنعتی مقامات کے لئے بہترین ہے جہاں شور ایک مسئلہ ہے ، جبکہ اعلی سطح پر وشوسنییتا کو برقرار رکھتے ہوئے۔
رے ڈافون ٹرانسمیشن پارٹس میں صرف ایک اور نام نہیں ہے-ہم اعلی کارکردگی کے ٹرانسمیشن کے اجزاء اور صنعتی مشینری کے حل کے ایک معروف صنعت کار اور سپلائر ہیں ، اور ہمیں ایس ڈبلیو سی کارڈن شافٹ یونیورسل مشترکہ جوڑے جیسی مصنوعات پر تیز توجہ دی گئی ہے۔ ہم نے عالمی صنعتوں کو جس چیز کی ترقی کی ضرورت ہے اس کو برقرار رکھنے کے لئے شروع کیا ، اور وقت گزرنے کے ساتھ ، ہم نے ایک مکمل لائن اپ تیار کیا ہے: گیئر بکس ، ڈرائیو شافٹ ، ہائیڈرولک سلنڈرز ، پلیاں ، صحت سے متعلق مشین ٹولز-یہ سب کو فروغ دینے کے لئے بنایا گیا ہے کہ زرعی اور ہیوی ڈیوٹی والے سیکٹر کتنے اچھے طریقے سے چلتے ہیں۔ ہم جدت پر بہت بڑے ہیں ، یہی وجہ ہے کہ ہم رولنگ مل آپریشنز کے لئے قابل اعتماد ہیوی ڈیوٹی یونیورسل مشترکہ جوڑے فراہم کرسکتے ہیں جو بغیر کسی رکاوٹ کے انتہائی پیچیدہ نظاموں میں بھی فٹ بیٹھتے ہیں۔
ہماری سہولیات بھی اعلی درجے کی ہیں-ہمارے پاس سی این سی ورکشاپس ، پیسنے اور حرارت کے علاج کے گیئر ، اور اعلی درجے کی 3D پیمائش کے نظام ہیں۔ ہم سخت معیار کے معیار پر قائم رہتے ہیں جیسے ISO9001/TS16949 ، اور اس سیٹ اپ سے ہمیں اعلی ٹورک یونیورسل مشترکہ جوڑے کے حل بنانے کی سہولت ملتی ہے جو ٹورک کو زبردست منتقل کرتے ہیں اور حامی کی طرح غلط فہمی کو سنبھالتے ہیں۔ لفٹنگ اور مادی ہینڈلنگ کے سازوسامان میں ہمارا پائیدار ایس ڈبلیو سی یونیورسل جوائنٹ شافٹ جوڑے لیں ، مثال کے طور پر-یہ ان جگہوں کے لئے بنایا گیا ہے جن کو سخت بوجھ اٹھانے والی طاقت کی ضرورت ہے۔ اور ہماری صنعتی یونیورسل مشترکہ جوڑے کی لائن؟ اس میں ہر طرح کے استعمال کا احاطہ کیا گیا ہے جہاں صحت سے متعلق اور استحکام سب سے زیادہ اہمیت رکھتا ہے۔
ہم جو کچھ بناتے ہیں اس کا اسی فیصد برآمد ہوتا ہے - امریکہ ، جرمنی ، جاپان ، اٹلی ، ملائشیا ، آسٹریلیا ، اور مشرق وسطی جیسی جگہوں پر۔ ہمارے پاس چین ، جنوبی کوریا ، برطانیہ ، سنگاپور ، امریکہ اور اسپین میں بھی مضبوط نیٹ ورک ہیں ، لہذا ہم عالمی سطح پر ٹھوس ہیں۔ اس پہنچنے سے ہمیں اپنی مرضی کے مطابق ایس ڈبلیو سی ہیوی ڈیوٹی یونیورسل مشترکہ جوڑے کے اختیارات کی پیش کش کی جاسکتی ہے-جس کی وجہ سے کلائنٹ کی ضرورت ہوتی ہے ، جیسے ہیوی مشینری یونیورسل مشترکہ جوڑے کے نظام میں جہاں انتہائی بوجھ کے تحت مستحکم رہنا غیر گفت و شنید ہوتا ہے۔
ہم استحکام اور ایسے حل بنانے کی پرواہ کرتے ہیں جو صارفین کو اولین رکھتے ہیں۔ یہی وجہ ہے کہ ہم توانائی کی بچت کرنے والے یونیورسل مشترکہ جوڑے کے حل تیار کرتے ہیں جو 98.6 ٪ ٹرانسمیشن کی کارکردگی کو متاثر کرتے ہیں۔ چاہے آپ کو بڑے پاور ٹرانسمیشن کے ل an موثر یونیورسل مشترکہ جوڑے کی ضرورت ہو یا صنعتی مقامات کے لئے کم شور والا یونیورسل مشترکہ جوڑے جہاں شور ایک مسئلہ ہے ، ہماری مصنوعات مکمل فروخت کی خدمت کے ساتھ آتی ہیں۔ اسی طرح ہم ٹرانسمیشن انڈسٹری میں قابل اعتماد شراکت دار بن چکے ہیں - ہم صرف حصے فروخت نہیں کرتے ، ہم ان کا بیک اپ لیتے ہیں۔
پتہ
لیوٹو صنعتی علاقہ ، ضلع زینھائی ، ننگبو سٹی ، چین
ٹیلی فون
ای میل


+86-574-87168065


لیوٹو صنعتی علاقہ ، ضلع زینھائی ، ننگبو سٹی ، چین
کاپی رائٹ © رائڈافون ٹکنالوجی گروپ کمپنی ، محدود تمام حقوق محفوظ ہیں۔
Links | Sitemap | RSS | XML | رازداری کی پالیسی |
