QR کوڈ
مصنوعات
ہم سے رابطہ کریں۔


فیکس
+86-574-87168065

ای میل

پتہ
لیوٹو صنعتی علاقہ ، ضلع زینھائی ، ننگبو سٹی ، چین
پاور "ریلے ریس": فیڈ مکسر گیئر باکس پاور ٹرانسمیشن کے لئے "ریلے کپتان" کی طرح ہے۔ موٹر شروع ہونے کے بعد ، طاقت پہلے گیئر باکس کے ان پٹ شافٹ میں منتقل ہوتی ہے ، اور پھر باکس میں مختلف سائز کے گیئرز کے ایک گروپ کو میشنگ کے ذریعے "اسپیڈ چینج" حاصل کیا جاتا ہے۔ مثال کے طور پر ، اگر ان پٹ شافٹ فی منٹ 1000 بار گھومتا ہے تو ، آؤٹ پٹ شافٹ گیئر گروپ ٹرانسمیشن کے بعد صرف 100 بار گھوم سکتا ہے ، لیکن ٹورک میں بہت زیادہ اضافہ ہوتا ہے۔ اس کے بعد یہ مضبوط طاقت مکسنگ شافٹ میں منتقل کی جاتی ہے ، جس سے اختلاط بلیڈوں کو جلدی سے فیڈ کو ہلچل میں ڈالنے کی اجازت دی جاتی ہے ، آسانی سے "سخت سامان" جیسے اعلی فائبر چارہ سے نمٹا جاتا ہے۔
عین مطابق میشنگ ، کم نقصان: گیئر باکس میں گیئرز تصادفی طور پر مماثل نہیں ہیں۔ رے ڈافون کے ذریعہ تیار کردہ گیئرز میں دانت کی شکل ہوتی ہے جس کا عین مطابق حساب لگایا جاتا ہے اور اس پر عملدرآمد کیا جاتا ہے ، اور جب میشنگ کرتے ہو تو مضبوطی سے فٹ ہوجاتے ہیں ، جیسے ایک پہیلی کے دو ٹکڑوں کی طرح جو ایک ساتھ مل کر فٹ ہوجاتے ہیں۔ اس طرح سے ، بجلی کی ترسیل کے دوران بہت کم رگڑ ہے ، توانائی کا کم نقصان ، اور زیادہ تر طاقت اختلاط کے لئے استعمال کی جاسکتی ہے۔ یہ فیڈ مکسر پر "توانائی بچانے والا کور" لگانے کے مترادف ہے ، جو توانائی کو ضائع کیے بغیر کام کو زیادہ توانائی بخش بناتا ہے۔
ضروریات کو پورا کرنے کے لچکدار ایڈجسٹمنٹ: مختلف فیڈز اور مختلف اختلاطی مقدار میں مختلف رفتار کی ضرورت ہوتی ہے۔ فیڈ مکسر گیئر باکس کی خوبصورتی یہ ہے کہ اسے لچکدار طریقے سے ایڈجسٹ کیا جاسکتا ہے۔ گیئر سیٹوں کے امتزاج کو تبدیل کرکے ، متنوع ضروریات کو پورا کرنے کے لئے مختلف اسپیڈ تناسب حاصل کیا جاسکتا ہے۔ اگر آپ سیلاج کو ملانا چاہتے ہیں اور جلدی سے توجہ مرکوز کرنا چاہتے ہیں تو رفتار میں اضافہ کریں۔ اگر آپ نازک خام مال کو سنبھالنا چاہتے ہیں تو ، رفتار کو کم کریں اور آہستہ آہستہ مکس کریں ، اور گیئر باکس یہ سب کرسکتا ہے۔
مستحکم مدد اور استحکام: گیئر باکس باڈی پورے ٹرانسمیشن سسٹم کے "سرپرست" کے برابر ہے۔ اعلی طاقت والے کاسٹ آئرن میٹریل ، مضبوط اور صدمے سے بچنے والا ، اندرونی گیئرز اور بیرنگ کو مستحکم طور پر سپورٹ کرسکتا ہے۔ داخلی بیرنگ خاص طور پر ہموار گردش اور کم لباس کے لئے چکنا ہوتا ہے۔ یہاں تک کہ اگر فیڈ مکسنگ کے دوران کمپن تیار کی جاتی ہے تو ، گیئر باکس گیئرز کی مستحکم مصروفیت کو یقینی بنا سکتا ہے ، مستحکم طاقت کو مستقل طور پر آؤٹ پٹ کرسکتا ہے ، اور مجموعی طور پر خدمت کی زندگی کو بڑھا سکتا ہے۔
رائڈافون کی مصنوعات کی تیاری کے عمل کا سختی سے تجربہ کیا گیا ہے اور اصل تنصیب کے بعد مکمل طور پر آپریشنل ہوسکتا ہے۔ ہماری مصنوعات کا انتخاب کرنے کا مطلب ہے کہ آپ نے ذہنی سکون کا انتخاب کیا ہے۔
| تناسب | ان پٹ R.P.M |
ان پٹ پاور | آؤٹ پٹ | ماڈل | تبصرے | |
| کلو واٹ | HP | nm | ||||
| 16.1: 1 | 540 | 44.7 | 60 | 11600 | G1-0314 |
|
| 19.4: 1 | 540 | 26.1 | 35 | 8600 | G1-0514 |
|
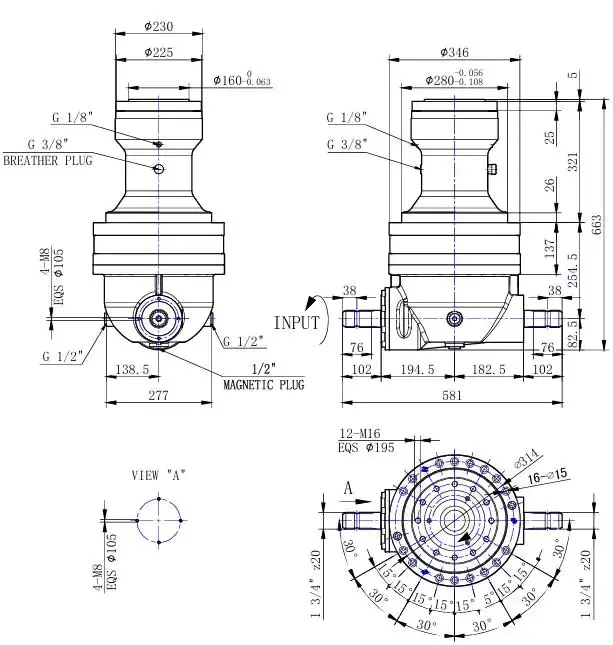
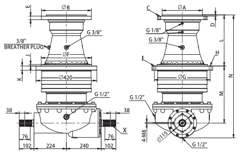
| نمبر | A | B | C | D | E | F | G | H | 1 | J | K | L | M | N | ||||||||||||||||||
| 1 | ⌀200 H7 | ⌀278 | 12-M16 EQS⌀245 | 15 | 25 | 80280 ایف 7 | 80380 | 12-M16 |
|
26 | 30 | 353 | 300 | 785 | ||||||||||||||||||
| 2 | ⌀200 H7 | ⌀278 | 12-M16 EQS⌀245 | 15 | 25 | 80280 ایف 7 | 80380 | 12-M16 |
|
26 | 30 | 353 | 402.5 | 857.5 | ||||||||||||||||||
| 3 | ⌀278 H8 | 34345 | 15-M16 EQS⌀314 | 8 | 25 | 83348 H8 | 85385 | 12-⌀17 | 2-M18 | 10.5 | 29 | 351 | 321.5 | 774.5 | ||||||||||||||||||
| 4 | ⌀278 H8 | 34345 | 15-M16 EQS⌀314 | 8 | 25 | 83348 H8 | 85385 | 12-⌀17 | 2-M18 | 10.5 | 29 | 351 | 394 | 847 | ||||||||||||||||||
| 5 | ⌀154.8 H8 | ⌀250 | 12-M20*1.5 EQS⌀205 | 12 | 39 | 83348 H8 | 85385 | 12-⌀17 | 2-M18 | 10.5 | 29 | 354.5 | 321.5 | 778 | ||||||||||||||||||
| تناسب | lnput R.P.M |
ان پٹ پاور | آؤٹ پٹ nm |
ان پٹ شافٹ | تبصرے | |||||||||||||||||||||||||||
| کلو واٹ | HP | |||||||||||||||||||||||||||||||
| 13.4: 1 | 540 | 85.8 | 115 | 17984 | X |
|
||||||||||||||||||||||||||
| 14.6: 1 | 540 | 70.8 | 95 | 16187 | X |
|
||||||||||||||||||||||||||
| 16.1: 1 | 540 | 63.4 | 85 | 15971 | X |
|
||||||||||||||||||||||||||
| 18.2: 1 | 540 | 44.7 | 60 | 12744 | X |
|
||||||||||||||||||||||||||
| 21.1: 1 | 540 | 37.3 | 50 | 12312 | X |
|
||||||||||||||||||||||||||
| 25.9: 1 | 1000 | 82 | 110 | 17954 | X |
|
||||||||||||||||||||||||||
| 28.3: 1 | 1000 | 67.1 | 90 | 16051 | X |
|
||||||||||||||||||||||||||
اسٹیل "باڈی" انتہائی پائیدار ہے: یہ گیئر باکس گاڑھا ہوا اعلی طاقت والے کاسٹ آئرن سے بنا ہے ، اور پورا خانہ ٹینک کے شیل کی طرح مضبوط ہے۔ چاہے یہ مرطوب ماحول ہو جب سیلاج کو ملا رہے ہو یا پیلیٹائزڈ فیڈ کو سنبھالنے کی وجہ سے پرتشدد کمپن ہو ، یہ اس کو مستقل طور پر برداشت کرسکتا ہے۔ اندرونی گیئرز کاربرائزڈ اور بجھاتے ہیں ، اور دانتوں کی سطح کی سختی HRC58 کی طرح زیادہ ہے۔ لباس مزاحمت عام گیئرز سے 3 گنا زیادہ مضبوط ہے۔ یہ خاک آلود اور بھاری بھرے ہوئے کھیتوں میں پانچ یا چھ سال تک مسلسل استعمال ہوتا رہا ہے ، اور کارکردگی اب بھی "آن لائن" ہے ، اور مرمت کی تعداد بہت کم ہے۔
پاور ٹرانسمیشن "صفر فضلہ": ڈیزائن آسانی سے بھرا ہوا ہے! گیئر میشنگ کی درستگی بالوں کی سطح تک پہنچ جاتی ہے ، اور بجلی کی ترسیل کی کارکردگی 95 ٪ سے زیادہ ہے۔ اختلاط کے دوران دوسرے گیئر باکسز میں بہت زیادہ طاقت "پھسل گئی" ہوسکتی ہے ، لیکن ٹی ایم آر مکسر ای پی آر ایم جی کے لئے ہمارے فیڈ مکسر گیئر باکس بلیڈ پر موٹر کی تمام طاقت استعمال کرسکتے ہیں۔ 5 ٹن فیڈ کے اسی اختلاط کے ل our ، ہمارے گیئر باکس کا استعمال 15 منٹ تیز ہوسکتا ہے اور بجلی کے 20 فیصد بلوں کی بچت کرسکتا ہے ، جس سے کاشتکاروں کو حقیقی رقم کی بچت ہوتی ہے۔
"یونیورسل موافقت" انتہائی پریشانی سے پاک ہے: چاہے یہ ایک چھوٹے سے فارم میں ایک سادہ مکسر ہو یا کسی بڑے فیڈ فیکٹری میں ایک بڑا سامان ، اس گیئر باکس کو بغیر کسی رکاوٹ کے منسلک کیا جاسکتا ہے۔ اسپیڈ تناسب کو آزادانہ طور پر 2: 1 سے 15: 1 تک ایڈجسٹ کیا جاسکتا ہے ، اور راؤجج ، فیڈ ، اور مخلوط فیڈ کو ملایا جاسکتا ہے لیکن آپ چاہتے ہیں۔ تنصیب بھی آسان ہے ، اور سامان میں بڑی تبدیلیاں کرنے کی ضرورت نہیں ہے۔ عام کارکن ہدایات کے مطابق آدھے گھنٹے میں یہ کام کر سکتے ہیں ، جو خاص طور پر کسانوں کے لئے موزوں ہے جو جلدی میں ہیں۔ "انٹیلیجنٹ پروٹیکشن" انتہائی قابل غور ہے: گیئر باکس میں بلٹ میں اوورلوڈ پروٹیکشن ڈیوائس ہے۔ ایک بار جب اختلاط کا بوجھ بہت بڑا ہوجائے تو ، یہ گیئرز کو پہنچنے والے نقصان سے بچنے کے لئے خود بخود "رک" ہوجائے گا ، جو نہ صرف مشین کی حفاظت کرتا ہے بلکہ حفاظتی حادثات کو بھی روکتا ہے۔ مزید یہ کہ ساختی ڈیزائن معقول ہے۔ آپ بیئرنگ کو تبدیل کرسکتے ہیں یا باکس کھول کر گیئر کی مرمت کرسکتے ہیں۔ یہ اتنا تکلیف دہ نہیں ہے جتنا "روسی گڑیا" کو ختم کرنا۔ ٹائم ٹائم اور دیکھ بھال کا وقت بہت کم کیا جاتا ہے ، اس بات کو یقینی بناتے ہوئے کہ فارم کی پیداوار بند نہ ہو۔
بیرون ملک مقیم کسٹمر کی حیثیت سے ، میں واقعتا یہ کہنا چاہتا ہوں کہ آپ رے ڈافون کا شکریہ! آپ کا فیڈ مکسر گیئر باکس استعمال کرنا واقعی آسان ہے۔ چونکہ یہ انسٹال کیا گیا تھا ، لہذا سامان بہت آسانی سے چل رہا ہے ، اور کام کرنے کی کارکردگی پہلے سے کہیں زیادہ ہے۔ گیئر باکس ٹھوس اور پائیدار مواد سے بنا ہے ، اور انسٹال اور برقرار رکھنا آسان ہے۔ اس نے ہمارے پچھلے سامان پر ہمارے پرانے مسائل کو حل کیا ہے۔ مجھے خاص طور پر فروخت کے بعد کی خدمت کی تعریف کرنی ہوگی۔ ہمیں استعمال کرتے وقت ہمیں کچھ چھوٹے سوالات کا سامنا کرنا پڑا ، اور آپ نے جلدی سے اس کا پتہ لگایا۔ یہ بہت قابل اعتماد ہے۔ تعاون کا یہ تجربہ واقعی اچھا ہے۔ میں نے آپ کی مصنوعات کو اپنے ساتھیوں کو سفارش کی ہے ، اور میں مستقبل میں تعاون کو جاری رکھنے کے منتظر ہوں! ----- جیمز کارٹر
ارے ، میں ڈیوڈ جانسن ہوں ، جو رےڈافون کا صارف ہے۔ میں نے پہلے بھی آپ کے فیڈ مکسر گیئر باکسز خریدے تھے ، اور یہ استعمال کرنے میں واقعی بہت اچھا ہے! اس گیئر باکس کو انسٹال کرنے کے بعد ، ہمارا فیڈ مکسر پہلے سے کہیں زیادہ ہموار چلتا ہے ، اور کارکردگی کو بہتر بنایا گیا ہے۔ میں سامان جام کرنے کی فکر کرتا تھا ، لیکن اب مجھے اس کے بارے میں بالکل بھی فکر کرنے کی ضرورت نہیں ہے۔ جو چیز مجھے سب سے زیادہ قابل قدر محسوس کرتی ہے وہ یہ ہے کہ یہ بہت پائیدار ہے ، مواد ٹھوس محسوس ہوتا ہے ، اور اسے روزانہ کی بنیاد پر برقرار رکھنا تکلیف دہ نہیں ہے۔ صرف کچھ پیچ سخت کریں اور تیل کی سطح کو چیک کریں ، پچھلے سامان کے برعکس جس کو ہر چند دن میں پھینکنے کی ضرورت ہے۔ آخری بار جب یہاں کام کرتے وقت میرے کچھ چھوٹے سوالات تھے ، میں نے آپ کی فروخت کے بعد کی خدمت کو ایک ای میل بھیجا ، اور اسی دن جواب موصول ہوا۔ انجینئر نے مجھے اس کو ایڈجسٹ کرنے کا طریقہ سکھانے کے لئے ایک اسکیمیٹک آریگرام بھی کھینچ لیا۔ یہ خدمت بہت اچھی ہے! سچ پوچھیں تو ، جب میں ایک ساتھ کھانا کھاتا ہوں تو میں اکثر اپنے ساتھیوں کے ساتھ آپ کی مصنوعات کے بارے میں بات کرتا ہوں۔ اچھی چیزوں کو زیادہ سے زیادہ لوگوں کو معلوم ہونا چاہئے۔ مجھے امید ہے کہ آئندہ بھی آپ کے ساتھ تعاون جاری رکھے گا ، اور میری خواہش ہے کہ آپ کا کاروبار زیادہ سے زیادہ مقبول ہوجائے گا!
میرا نام مائیکل براؤن ہے۔ جب میں نے پہلی بار آپ کے فیڈ مکسر گیئر باکسز خریدے تو میں تھوڑا سا ہچکچا رہا تھا ، بہرحال ، مجھے اس سے پہلے دوسری مصنوعات کے ذریعہ دھوکہ دیا گیا تھا ، لیکن اسے تقریبا half آدھے سال استعمال کرنے کے بعد ، میں واقعتا it اسے انگوٹھا دیتا ہوں! اس گیئر باکس کا شور پہلے کے مقابلے میں بہت چھوٹا ہے۔ اس سے پہلے ، یہ تھنڈر کی طرح تھا جب اسے آن کیا گیا تھا ، لیکن اب ورکشاپ میں بات کرتے وقت مجھے چیخنے کی ضرورت نہیں ہے۔ سب سے حیرت انگیز چیز کارکردگی ہے۔ فیڈ کے بیچ کو ملا دینے میں 40 منٹ لگتے تھے ، لیکن اب یہ 25 منٹ میں کیا جاسکتا ہے ، اور کنویر بیلٹ نے بھی اس کی رفتار میں اضافہ کیا ہے۔ پچھلے ہفتے ، گیئر باکس کی اشارے کی روشنی دو بار چمکتی ہے۔ میں نے سوچا کہ کیا کوئی پریشانی ہے ، لہذا میں نے آپ کے بعد فروخت کی خدمت کو بلایا۔ وہ لڑکی جس نے فون کا جواب دیا وہ بہت صبر کرتا تھا۔ اس نے مجھے کچھ تصاویر کھینچنے دیں اور موقع پر موجود سینسر سے دھول صاف کرنے کے لئے میری رہنمائی کی۔ اس میں 10 منٹ سے زیادہ نہیں لگا۔ گیئر باکس ٹھوس مواد سے بنا ہے۔ بیرونی شیل بھاری محسوس ہوتا ہے۔ پچھلی بار ، ایک فورک لفٹ نے حادثاتی طور پر اسے رگڑ دیا ، جس سے تھوڑا سا نشان چھوڑا گیا تھا ، لیکن اندر کے حصے متاثر نہیں ہوئے تھے۔ جب میں اگلے دروازے پر کسان کے ساتھ شراب پی رہا تھا تو میں آپ کی مصنوعات کے بارے میں بات کرتا رہا۔ وہ اگلے مہینے ایک آرڈر کرنے کا بھی ارادہ رکھتا ہے! میں مستقبل میں آپ کے نئے لوازمات آزمانے کے منتظر ہوں ، اور میری خواہش ہے کہ آپ مضبوط اور مضبوط ہوں!
پتہ
لیوٹو صنعتی علاقہ ، ضلع زینھائی ، ننگبو سٹی ، چین
ٹیلی فون
ای میل


+86-574-87168065


لیوٹو صنعتی علاقہ ، ضلع زینھائی ، ننگبو سٹی ، چین
کاپی رائٹ © رائڈافون ٹکنالوجی گروپ کمپنی ، محدود تمام حقوق محفوظ ہیں۔
Links | Sitemap | RSS | XML | رازداری کی پالیسی |
